首页 | 联系我们
精工首页 精工优势 产品展示 安防知识 精工应用 下载中心 联系我们
  AVENIR精工镜头产品展示  
2014精工镜头百万像素系列
 150万像素镜头
 200万像素高清镜头
 300万像素高清镜头
 红外百万像素高清镜头
2014精工镜头智能交通专用系列
 150万像素智能交通专用系列
 500万像素智能交通专用系列
2014精工镜头标清系列
 固定焦距
 多种焦距
 多种焦距及红外对应
 电动变倍
 针孔镜头
2013 AVENIR LENS 精工镜头
 百万像素高清镜头
 红外对应镜头
 手动定焦镜头
 自动光圈镜头
 直插式镜头
 多种焦距镜头
 手动变焦镜头
 电动变焦镜头
 MTV单板镜头
 针孔镜头
2013 AVENIR ETOKU 精工镜头
 百万像素高清镜头
 红外对应镜头
 手动定焦镜头
 自动光圈镜头
 直插式镜头
 多种焦距镜头
 手动变焦镜头
 电动变焦镜头
 针孔镜头
镜头配件
 
  产品详细资料   
 
 2014精工镜头标清系列 >> 多种焦距及红外对应 >> 多种焦距及红外对应镜头SSV0615GNBIR
  
产品名称:

产品型号:

产品类别:
多种焦距及红外对应镜头SSV0615GNBIR

SSV0615GNBIR

2014精工镜头标清系列---多种焦距及红外对应


 
  产品技术参数说明
 
6-15mm规格书(SSV0615GNBIR)
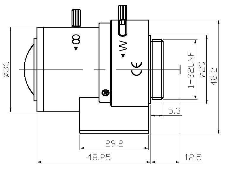
型号Model No. SSV0615GNBIR
规格Image size (CCD type) 1/3"
焦距Focal length 6~15mm
光圈值Aperture (F) F1.4-360
后焦距值Back focal length 8.05~12.25mm
接口方式Camera mount CS
操作方式Operation 光圈Iris 直流驱动Direct Drive
聚焦Focus 手动Manual
变焦Zoom 手动Manual
视场角
Field of view (DXHXV)
广角Wide 64.3°×51.4°×38.6°
长焦Tele 28.3°×22.6°×17.0°
最短物距Minimum object distance 0.3m
有效口径
Effective diameter
前组Front Φ18.5mm
后组Rear Φ8.3mm
波长Coating 400~950nm
特性Feature IR
外形尺寸Dimension (DXHXL) Φ36mm×48.2mm×48.25mm
工作温度Application temperature -10˚C ~ +50˚C
重量Total Weight 66g

 
点击数:952  录入时间:2014-9-18 【打印此页】 【关闭
联系我们 | 销售网络 | 隐私保护 | 法律声明 | 版权所有(C) 2014 - 2020 精工镜头(AVENIR LENS) 版权所有